- Electric Strikes
- Trine Electric Strikes
- Trine 2000 Series Electric Strikes
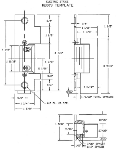
- Trine 2009 Adjustable Face Plate - 4-7/8" x 1-1/4" - Brass Powder Coated
Related products

Trine 4200 Flexible Electric Strike For Cylindrical Locksets & Dead Latches
Product code: W561BD
In StockThere are currently no product reviews.
Leave your review about the product. This will help other buyers
Write a review
Only registered users can write reviews
Recently viewed products

Stanley CEFBB179-54 5" X 4-1/2" 4 Standard Weight 4 Wire Electric Hinge Satin Brass
Product code: W561BD
In Stock